
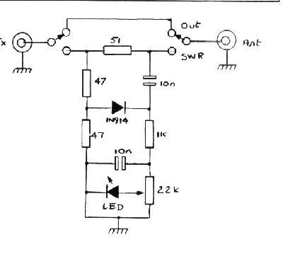
This simple SWR bridge uses a superbright LED instead of a meter and was described by G0WQR in Sprat 93. He found the LED is fully illuminated with less than 1 watt output and extinguishes when minimum VSWR is achieved. It can be made very small and lends itself to portable use.